

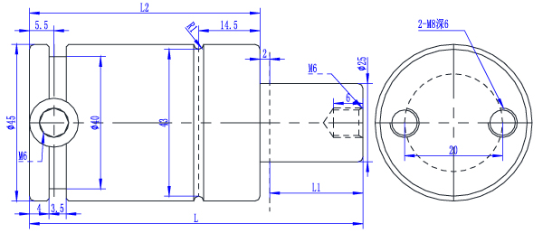
| 规格 | 缸筒直径(mm) | 活塞直径(mm) | 行程(mm) | 初始压力(Pa) |
| GB750 | 45 | 25 | 10-125 | 750 |
| 规格 | 行程L1(mm) | 总长L(mm) | 缸筒长度L2(mm) |
| GB750-10 | 10 | 52 | 40 |
| GB750-13 | 13 | 58 | 43 |
| GB750-16 | 16 | 64 | 46 |
| GB750-19 | 19 | 70 | 49 |
| GB750-25 | 25 | 82 | 55 |
| GB750-32 | 32 | 96 | 62 |
| GB750-38 | 38 | 108 | 68 |
| GB750-50 | 50 | 132 | 80 |
| GB750-63 | 63 | 158 | 93 |
| GB750-75 | 75 | 182 | 105 |
| GB750-80 | 80 | 192 | 110 |
| GB750-100 | 100 | 232 | 130 |
| GB750-125 | 125 | 282 | 155 |

